Wacker Neuson Wheeled Excavators EW100

Overview

EW100 - The future of urban excavation

The new EW100 features a more powerful engine, significantly reduced turning radius, increased digging depth and simplified operation. Wheeled excavators save contractors and municipalities money with unparalleled mobility. With its power, reach and mobility, this excavator is the perfect solution for roadside digging and demolition in urban settings. Operators will also appreciate the new easy to use dial control system. Using this automotive-style feature, operators can easily select and save the auxiliary hydraulic flow settings depending on the attachment, eliminating the need for manual adjustments.

  • Powerful Perkins 854E Tier 4 Final Turbo engine delivers superior horsepower. The 4-cylinder, 3.4 liter engine incorporates cutting edge technology including a common rail fuel injection system, charge-air cooler and diesel particulate filter (DPF).
  • Articulated triple boom offers increased digging area through an extended dig range, allowing the operator to reach farther, dig closer to the blade and reach under the machine when needed
  • All wheel steering feature delivers a turning radius of 13-feet making it even easier to maneuver in confined areas.
  • Operator comfort with air conditioning, automatic climate control and a simplified layout.
  • Driving speeds up to 18.6 mph make getting to and around the job site more efficient.
Specifications
Model
EW100
Category Name
Equipment
Year
2022
Sale Type
New
Manufacturer
Wacker Neuson
options

EW100 Options

    ·        3 inch seat belt
    ·        Cab work lights and mirrors
    ·        Rotating Beacon
    ·        Long Dipper stick
    ·        FOPS Level 1 Protection
    ·        Cab lighting front and rear
    ·        Radio

technical specifications

EW65 Technical specifications

Metric

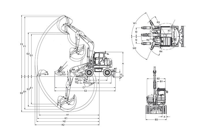
Operating data 

Shipping weight min. 6,706 kg
Operating weight  6,990 - 8,470 kg
Biting force max.  30.8 kN
Breakout force max.  46 kN
Digging depth max.  3,884 mm
Dump height max.  5,218 mm
Digging radius max.  6,888 mm
Superstructure slewing speed  9 1/min

Engine / Motor 

Engine / Motor manufacturer  Perkins diesel engine
Engine / Motor type  404F-E22T
Engine / Motor  Water-cooled 4-cylinder turbo in-line engine
Displacement  2,216 cm³
RPM / speed  2,800 rpm
Engine performance according to ISO 50 kW
Battery  88 Ah
Fuel tank capacity  85 l

Hydraulic system  

Duty pump  Variable displacement pump and double hydraulic gear pump
Max. flow rate  144 + 85.5 l/min
Operating pressure for working hydraulics 240 bar
Operating pressure for driving hydraulics 450 bar
Hydraulic oil tank  92 l

Undercarriage  

Tires  7.5-15 14 PR Twin Tires
Track width  457 mm
Ground clearance  237 mm
Travel speed max. 30 km/h

Dozer Blade 

Width  2,085 mm
Height  429 mm
Stroke - Above ground 395 mm
Stroke - Below ground 301 mm

Sound level 

Sound level (LwA) according to 2000/14/EC 97 dB(A)

Imperial

Operating data 

Shipping weight min. 14,784.05 lb
Operating weight  15,410.15 - 18,672.96 lb
Biting force max.  6,924 lbf
Breakout force max.  10,341.21 lbf
Digging depth max.  153.03 in
Dump height max.  205.59 in
Digging radius max.  271.39 in
Superstructure slewing speed  9 rev/min

Engine / Motor 

Engine / Motor manufacturer  Perkins diesel engine
Engine / Motor type  404F-E22T
Engine / Motor  Water-cooled 4-cylinder turbo in-line engine
Displacement  135.2 in³
RPM / speed  2,800 rpm
Engine performance according to ISO 67 hp
Battery  88 CCA
Fuel tank capacity  22.5 US gal

Hydraulic system  

Duty pump  Variable displacement pump and double hydraulic gear pump
Max. flow rate  38.04 + 22.59 US gpm
Operating pressure for working hydraulics 3,481 psi
Operating pressure for driving hydraulics 6,526.8 psi
Hydraulic oil tank  24.31 US gal

Undercarriage  

Tires  7.5-15 14 PR Twin Tires
Track width  18.01 in
Ground clearance  9.3 in
Travel speed max. 18.6 mph

Dozer Blade 

Width  82.1 in
Height  16.9 in
Stroke - Above ground 15.6 in
Stroke - Below ground 11.9 in

Sound level 

Sound level (LwA) according to 2000/14/EC 97 dB(A)
Videos

Videos